欢迎光临金铠福自动化科技(江苏)有限公司!

产品中心
PRODUCTS

中空旋转平台

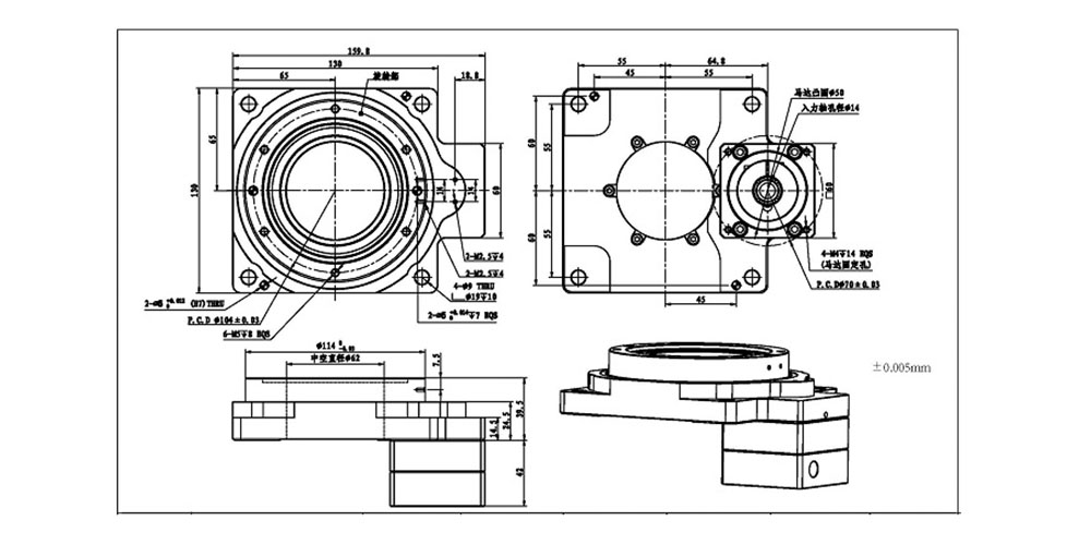
中空旋转平台 HRG-130

中空旋转平台 HRG-130产品特征可搭配100~750W伺服马达工作物可直接锁固旋转盘面可直接锁固工作物,提升工件装载之方便性配线方便,此旋转平台为中空式设计,无论是配线或配管均方便高精度,定位精度小于一分,重复定位精度可达±15sec运转动作平稳,盘面运转平稳、顺畅、且定位快速适用各种马达,中空旋转平台可采用各种

中空旋转平台 HRG-130

产品特征

  • 可搭配100~750W伺服马达

  • 工作物可直接锁固

  • 旋转盘面可直接锁固工作物,提升工件装载之方便性

  • 配线方便,此旋转平台为中空式设计,无论是配线或配管均方便

  • 高精度,定位精度小于一分,重复定位精度可达±15sec

  • 运转动作平稳,盘面运转平稳、顺畅、且定位快速

  • 适用各种马达,中空旋转平台可采用各种厂牌之伺服 马达驱动

中空结构
中空旋转平台的转盘为中空结构,伺服电机连接在侧边,方便冶具中的气管、电线安装。

高重复定位精度
中空旋转平台采用单级螺旋齿轮减速方式来增大输出扭矩,齿轮精度等级达5级以下,加之灵活的调隙机构,通过改变两齿轮中心距的方式来控制侧隙,使得中空旋转平台的空回极小,重复定位精度在5弧秒以下。

高刚性
中空旋转平台的转盘由一套精密交叉滚子轴承支撑,轴承中的滚子呈90度交错排列,并且滚子直径略大于轴承内圈与外圈间的滚道尺寸,使得交叉滚子轴承的内外圈及滚子之间存在预紧力,由此轴承支撑的伺服旋转平台转盘能够承 受径向、轴向、倾覆等各种力矩,其刚性是传统轴承的10倍以上。
高旋转精度
伺服旋转平台在组装完成后,以平台的交叉滚子轴承为旋转中心,再次对转盘的外径,端面进行磨削(标准级为精车),保证转盘的同轴度,平行度等形位公差。

马达任意配置
中空旋转平台通过定制法兰及输入轴孔的方式灵活变换接口尺寸大小,适合连接任意品牌的伺服电机、步进电机。

130-2.jpg


地址:太仓市大连东路36号13#1层

全国24小时服务热线0512-53833889